Tooling List For Press Brake
1-V Die

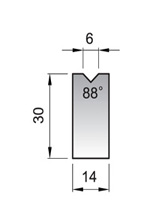
NO.613B-1

NO.613B-2

NO.613B-3

NO.613B-4

NO.613B-5

NO.613B-6

NO.613B-7

NO.613B-8

NO.3050

NO.3081

NO.3100

NO.3120




